氣動蝶閥

凸耳式中線蝶閥(fá)(氣動)

凸(tū)耳式中線蝶閥(氣動)

產品詳情(qíng)

技術參數

      產品型號:D67L1X 

      適用壓力:PN1.0~1 .6MPa

      適(shì)用規格:DN50~1200

      適(shì)用溫度:-10℃~150℃

      閥體材質:鑄鐵、球墨鑄鐵、碳鋼、不鏽鋼、鋁青銅


產品結構特征

      1、減小轉動力矩,支撐閥(fá)杆,並使其與閥體有效分離,減小(xiǎo)閥杆的磨損。

      2、經過拋光處理,與閥座(zuò)精密配(pèi)合。

      3、實現氣密性試驗零泄(xiè)漏要求,啟閉力矩小(xiǎo),延(yán)長(zhǎng)閥座使用壽命。

      4、閥(fá)杆密封不易變形,從而避免了通常的閥杆泄漏現象。

      5、精度高,強度大(dà),適用於(yú)手柄及其它(tā)控製裝置的安裝。

      6、牢固連接閥杆與閥板,具(jù)有防振脫(tuō)特點,且易於更換(huàn)。

      7、整(zhěng)體(tǐ)性好,便於控製閥板啟閉。

      8、具有(yǒu)不脫落、抗拉、防(fáng)泄漏、更換方便等特(tè)點(diǎn)。

      9、作為管路中調(diào)節或截斷介質的設備。

      10、適用(yòng)於手柄控(kòng)製裝置(DN50~300),蝸輪蝸杆、電動及氣動控製(zhì)裝置。



image.png


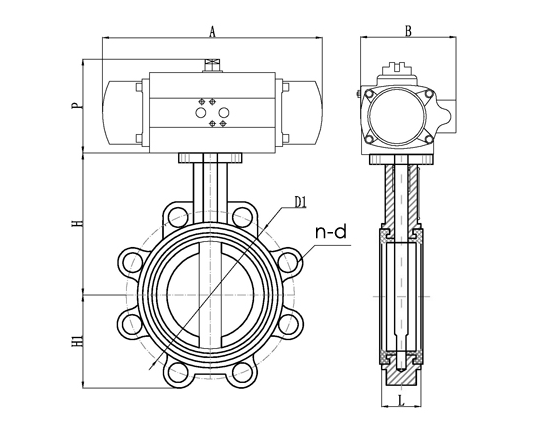
主要外形連(lián)接尺寸

公稱通徑 

DN 

英寸

主要尺寸(mm) PN10/PN16

執行器尺寸

L

D2

H1

H2

n-Φd

A

P

B

50

2

43

125

193

80

4-16

163

96

76

65

2-1/2

46

145

212

89

4-16

195

115

91

80

3

46

160

232

95

8-16

195

115

91

100

4

52

180

280

114

8-16

217

137

11

125

5

56

210

302

127

8-16

258

147

122

150

6

56

240

330

139

8-20

299

165

136

200

8

60

295

419

175

8-20/12-20

349

182

153

250

10

68

350/355

482

203

12-20/12-24

397

199

173

300

12

78

400/410

553

242

12-20/12-24

473

221

192

350

14

78

460/470

635

267

16-20/16-24

560

249

213

400

16

102

515/525

709

301

16-24/16-27

601

280

243

450

18

114

565/585

750

381

20-24/20-27

738

383

356

500

20

131

620/650

840

387

20-24/20-30

738

383

356

600

24

154

725/770

1021

457

20-27/20-33

940

434

415

好男人影视-好男人手机视频社区-好男人视频www社区app下载安装-好男人WWW神马社区在线观看